yp街机·电子游戏(中国)最新官网

yp街机刮刮卡自动化

yp街机刮刮卡专注过程自动化解决方案MEACON

yp街机刮刮卡服务热线19857007412
yp街机刮刮卡产品系列,100多种型号
您的位置: 首页 > 电磁流量计 >
  • 6000轴承

LDGR-MIK电磁热量表,热量表,能量表,供暖管道流量表厂家

品牌:yp街机刮刮卡
应用:广泛应用于诸多领域,从工业到日常生活中
防护等级:IP65
产品认证:国家双软认证
咨询热线

19857007412

 产品·参数
   Product parameter
电磁流量计

电磁热量表主要是对热交换系统中载能介质(液体水)的供水温度、回水温度及瞬时流量进行实时测量,并按照热力学能量计算公式,对系统消耗的冷量或热量值进行计算并保存的装置。其中电磁式流量传感器是通过法拉第电磁感应定律,将瞬时流量信号线性的变化为感应电动势这一电信号,从而得到瞬时流量信号。计算器将流量信号与温度传感器采集的温度信号进行积算,得出yp街机·电子游戏(中国)最新官网需要的能量值。


  ·热表工作模式、冷表工作模式、冷表热表模式
  ·MJ/h、GJ/h、KWh/h、MWh/h四种可供选择
  ·流量输出、热量输出、冷量输出、冷热状态输出、流量方向输出
  ·16位嵌入式微处理器转换器,全数字处理
  ·可测任何导电液体




 
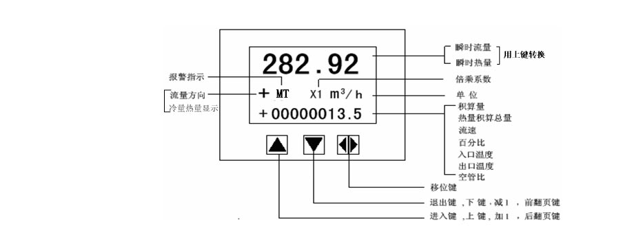
  仪表上电时,自动进入测量状态
  在自动测量状态下,仪表自动完成各测量功能并显示相应的测量数据
  在参数设置状态下,用户使用三个面板键,完成仪表参数设置


  产品名称:电磁式冷热量表
  口   径:DN10-DN1000
  输出信号:4~20ma
  通讯方式:RS485,MODBUS协议
  流速范围:0.1~15M/S(最大)  0.5~10M/S(常规)
  电   极:不锈钢316L、哈氏合金(HB和HC)、钛、钽、铂
  防护等级:IP65,IP68可定制
  精度等级:1级 0.5级
  供   电: 标准220V供电,可定制24V
  公称压力:1.6MPA;1.0MPA


 

热品推荐 / Hot product

流量计

流量计系列:广泛应用于石油化工、钢铁冶金、给水排水、水利灌溉、水处理、污水处理站(环保污水控制、化工污水、电镀污水)、造纸(纸浆)、泥浆、医药、食品等工农业的生产公司过程流量测量和控制。
液位计

液位计

液位计系列:液位计利用发射超声波经物位或液位,反射后所需要的时间来计算距离。
PH计

PH计

PH计系列:广泛应用于火电、化工化肥、冶金、环保、制药、生化、食品和自来水等溶液中PH值或ORP值和温度的连续监测。
压力变送器

压力变送器

压力系列:广泛应用于过程控制、航空、航天、汽车、医疗设备、HVAC等行业的液体、气体的测量与控制。

全国服务热线

19857007412